咨询电话:18839199888

技术服务:15703915553

©CopyRight 2025 沙巴球赛直播. 版权所有

product 铝合金牺牲阳极

为推动防腐事业的发展和创新不断努力

当前位置:首页 > 产品中心 > 牺牲阳极系列 > 铝合金牺牲阳极

船体用铝阳极

执行标准GB/T4948-2002《铝-锌-铟系合金牺牲阳极》

基本介绍我公司按照GB/T 4948-2002研发生产的合金牺牲阳极(简称:铝阳极)适于海水介质中的船舶、机械设备、压载水舱、储罐内壁、滨海设施、海底管道、码头钢桩、海洋平台、电缆等设施金属防腐蚀的阴极保护

发布时间:2025-07-22

类别:铝合金牺牲阳极
188-3919-9888

产品优势

盛世达生产所用原材料均为高纯度材料,整个制造过程受到严格管控,产品合金成分均匀,杂质低,保护性能优越,适用于各种环境。

① 电位稳定,电流效率高;

② 重量轻,安装方便;

③ 理论电容量大、保护钢结构时具有自动调节保护电位的作用。

image

性能指标

● 铝阳极化学成分

2025-07-22_165742_03

● 铝阳极电化学性能

2025-07-22_165742_05

尺寸与重量

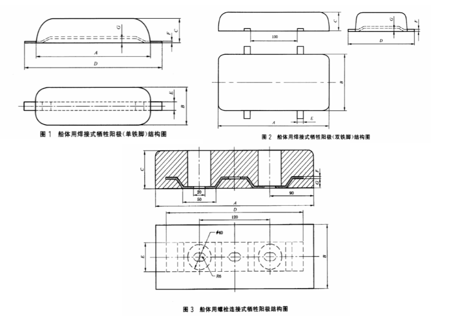
● 船体用焊接式铝合金牺牲阳极(单铁脚、双铁脚、螺栓式)

image

image


上一篇:船体用铝阳极
下一篇:没有了
  • 18839199888
    一键拨号
  • 短信咨询
    短信咨询
  • 查看地图
    查看地图